Нормирующий преобразователь TM6314-P1 Yutong Instruments
Кол-во:
- или -
В закладки
В сравнение
В сравнение
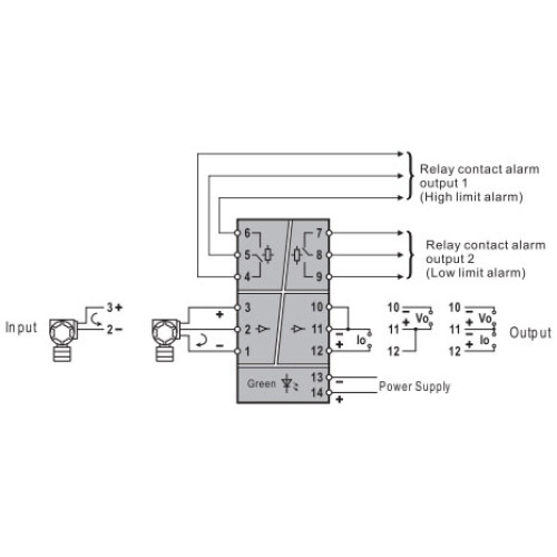
Преобразователь сигналов датчиков с токовым выходом с функцией контроля уровня сигнала. В модели ТМ 6314 аналогового выхода нет.
Transducer Current Signal Input(with distribution) Isolation Alarm Setter(one group of relay output alarm)
Применение нормирующих преобразователей с гальванической развязкой серии ТМ6000 позволяет обеспечить проведение достоверных измерений и формирование управляющих сигналов, а также защитить дорогостоящее оборудование от различного вида помех и прочих отрицательно влияющих факторов. Модельный ряд серии ТМ6000 является функционально полным, удовлетворяющим большинству практических ситуаций.
Transducer Current Signal Input(with distribution) Isolation Alarm Setter(one group of relay output alarm)
Применение нормирующих преобразователей с гальванической развязкой серии ТМ6000 позволяет обеспечить проведение достоверных измерений и формирование управляющих сигналов, а также защитить дорогостоящее оборудование от различного вида помех и прочих отрицательно влияющих факторов. Модельный ряд серии ТМ6000 является функционально полным, удовлетворяющим большинству практических ситуаций.
| Нормализация сигнала | |
| Вход | 4..20 мА |
| Погрешность преобразования | ±0.1%; ±0.2% |
| Время установления | < 1 с (10..90%) |
| Сопротивление изоляции | > 100 МОм |
| Сопротивление нагрузки | < 550 Ом (выход 4..20 мА) |
| Сечение подключаемых кабелей | 0.5..2.5 мм2 |
| Конструктив | |
| Материал корпуса | PC+ABS |
| Назначение | Transducer Current Signal Input Isolation Alarm Setter |
| Серия | TM6000 Series |
| Степень защиты корпуса: | IP20 |
| Температурный дрейф | ±0.015%/°C |
| Относительная влажность | 5..95% (без конденсата) |
| Возможности монтажа | DIN-рельс (TH35-7.5) |
| Температура хранения | -20..+60°C |
| Температура эксплуатации: | -20..+60°C |
| Вес, кг. | 110..120 г |
| Габариты, мм | 16х116х110 мм |
| Примечание | with distribution |
| Порты | |
| Выход | 4..20 мА 1..5 В 1 или 2 реле (24В2/А) |
| Питание | |
| Рабочее напряжение | 20..30 В постоянного тока |
Написать отзыв
Ваше имя:Ваш отзыв: Примечание: HTML разметка не поддерживается! Используйте обычный текст.
Оценка: Плохо Хорошо
Введите код, указанный на картинке:
Описание
Преобразователь сигналов датчиков с токовым выходом с функцией контроля уровня сигнала. В модели ТМ 6314 аналогового выхода нет.Transducer Current Signal Input(with distribution) Isolation Alarm Setter(one group of relay output alarm)
Применение нормирующих преобразователей с гальванической развязкой серии ТМ6000 позволяет обеспечить проведение достоверных измерений и формирование управляющих сигналов, а также защитить дорогостоящее оборудование от различного вида помех и прочих отрицательно влияющих факторов. Модельный ряд серии ТМ6000 является функционально полным, удовлетворяющим большинству практических ситуаций.
Характеристики
| Нормализация сигнала | |
| Вход | 4..20 мА |
| Погрешность преобразования | ±0.1%; ±0.2% |
| Время установления | < 1 с (10..90%) |
| Сопротивление изоляции | > 100 МОм |
| Сопротивление нагрузки | < 550 Ом (выход 4..20 мА) |
| Сечение подключаемых кабелей | 0.5..2.5 мм2 |
| Конструктив | |
| Материал корпуса | PC+ABS |
| Назначение | Transducer Current Signal Input Isolation Alarm Setter |
| Серия | TM6000 Series |
| Степень защиты корпуса: | IP20 |
| Температурный дрейф | ±0.015%/°C |
| Относительная влажность | 5..95% (без конденсата) |
| Возможности монтажа | DIN-рельс (TH35-7.5) |
| Температура хранения | -20..+60°C |
| Температура эксплуатации: | -20..+60°C |
| Вес, кг. | 110..120 г |
| Габариты, мм | 16х116х110 мм |
| Примечание | with distribution |
| Порты | |
| Выход | 4..20 мА 1..5 В 1 или 2 реле (24В2/А) |
| Питание | |
| Рабочее напряжение | 20..30 В постоянного тока |
Написать отзыв
Ваше имя:Ваш отзыв: Примечание: HTML разметка не поддерживается! Используйте обычный текст.
Оценка: Плохо Хорошо
Введите код, указанный на картинке:
Вы смотрели




