Нормирующий преобразователь TM6314B-P2 Yutong Instruments
Кол-во:
- или -
В закладки
В сравнение
В сравнение
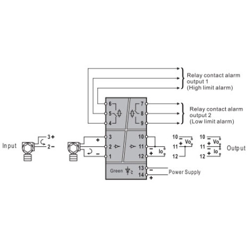
Преобразователь сигналов датчиков с токовым выходом с функцией контроля уровня сигнала. В модели ТМ 6314 аналогового выхода нет.
Transducer Current Signal Input(with distribution) Isolation Alarm Setter(one channel DC current isolation outpu/two groups of relay output alarm)
Применение нормирующих преобразователей с гальванической развязкой серии ТМ6000 позволяет обеспечить проведение достоверных измерений и формирование управляющих сигналов, а также защитить дорогостоящее оборудование от различного вида помех и прочих отрицательно влияющих факторов. Модельный ряд серии ТМ6000 является функционально полным, удовлетворяющим большинству практических ситуаций.
Transducer Current Signal Input(with distribution) Isolation Alarm Setter(one channel DC current isolation outpu/two groups of relay output alarm)
Применение нормирующих преобразователей с гальванической развязкой серии ТМ6000 позволяет обеспечить проведение достоверных измерений и формирование управляющих сигналов, а также защитить дорогостоящее оборудование от различного вида помех и прочих отрицательно влияющих факторов. Модельный ряд серии ТМ6000 является функционально полным, удовлетворяющим большинству практических ситуаций.
| Нормализация сигнала | |
| Вход | 4..20 мА |
| Погрешность преобразования | ±0.1%; ±0.2% |
| Время установления | < 1 с (10..90%) |
| Сопротивление изоляции | > 100 МОм |
| Сопротивление нагрузки | < 550 Ом (выход 4..20 мА) |
| Сечение подключаемых кабелей | 0.5..2.5 мм2 |
| Конструктив | |
| Материал корпуса | PC+ABS |
| Назначение | Transducer Current Signal Input Isolation Alarm Setter |
| Серия | TM6000 Series |
| Степень защиты корпуса: | IP20 |
| Температурный дрейф | ±0.015%/°C |
| Относительная влажность | 5..95% (без конденсата) |
| Возможности монтажа | DIN-рельс (TH35-7.5) |
| Температура хранения | -20..+60°C |
| Температура эксплуатации: | -20..+60°C |
| Вес, кг. | 110..120 г |
| Габариты, мм | 16х116х110 мм |
| Примечание | with distribution |
| Порты | |
| Выход | 4..20 мА 1..5 В 1 или 2 реле (24В2/А) |
| Питание | |
| Рабочее напряжение | 20..30 В постоянного тока |
Написать отзыв
Ваше имя:Ваш отзыв: Примечание: HTML разметка не поддерживается! Используйте обычный текст.
Оценка: Плохо Хорошо
Введите код, указанный на картинке:
Описание
Преобразователь сигналов датчиков с токовым выходом с функцией контроля уровня сигнала. В модели ТМ 6314 аналогового выхода нет.Transducer Current Signal Input(with distribution) Isolation Alarm Setter(one channel DC current isolation outpu/two groups of relay output alarm)
Применение нормирующих преобразователей с гальванической развязкой серии ТМ6000 позволяет обеспечить проведение достоверных измерений и формирование управляющих сигналов, а также защитить дорогостоящее оборудование от различного вида помех и прочих отрицательно влияющих факторов. Модельный ряд серии ТМ6000 является функционально полным, удовлетворяющим большинству практических ситуаций.
Характеристики
| Нормализация сигнала | |
| Вход | 4..20 мА |
| Погрешность преобразования | ±0.1%; ±0.2% |
| Время установления | < 1 с (10..90%) |
| Сопротивление изоляции | > 100 МОм |
| Сопротивление нагрузки | < 550 Ом (выход 4..20 мА) |
| Сечение подключаемых кабелей | 0.5..2.5 мм2 |
| Конструктив | |
| Материал корпуса | PC+ABS |
| Назначение | Transducer Current Signal Input Isolation Alarm Setter |
| Серия | TM6000 Series |
| Степень защиты корпуса: | IP20 |
| Температурный дрейф | ±0.015%/°C |
| Относительная влажность | 5..95% (без конденсата) |
| Возможности монтажа | DIN-рельс (TH35-7.5) |
| Температура хранения | -20..+60°C |
| Температура эксплуатации: | -20..+60°C |
| Вес, кг. | 110..120 г |
| Габариты, мм | 16х116х110 мм |
| Примечание | with distribution |
| Порты | |
| Выход | 4..20 мА 1..5 В 1 или 2 реле (24В2/А) |
| Питание | |
| Рабочее напряжение | 20..30 В постоянного тока |
Написать отзыв
Ваше имя:Ваш отзыв: Примечание: HTML разметка не поддерживается! Используйте обычный текст.
Оценка: Плохо Хорошо
Введите код, указанный на картинке:






