Нормирующий преобразователь TM6705 Yutong Instruments
Кол-во:
- или -
В закладки
В сравнение
В сравнение
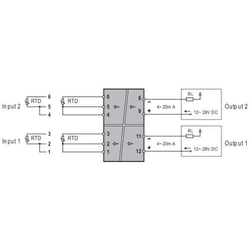
Преобразователи сигналов термометров сопротивления в ток с питанием от выходной токовой петли. Погрешность преобразования ±0.2%. ТМ 6704 – один канал, ТМ 6705 – два канала.
Two Wire Thermal Resistance Input Isolation Transducer(circuit power supply/two-in,two-out)
Применение нормирующих преобразователей с гальванической развязкой серии ТМ6000 позволяет обеспечить проведение достоверных измерений и формирование управляющих сигналов, а также защитить дорогостоящее оборудование от различного вида помех и прочих отрицательно влияющих факторов. Модельный ряд серии ТМ6000 является функционально полным, удовлетворяющим большинству практических ситуаций.
Two Wire Thermal Resistance Input Isolation Transducer(circuit power supply/two-in,two-out)
Применение нормирующих преобразователей с гальванической развязкой серии ТМ6000 позволяет обеспечить проведение достоверных измерений и формирование управляющих сигналов, а также защитить дорогостоящее оборудование от различного вида помех и прочих отрицательно влияющих факторов. Модельный ряд серии ТМ6000 является функционально полным, удовлетворяющим большинству практических ситуаций.
| Нормализация сигнала | |
| Вход | Pt100 Pt10 Cu50 Cu100 |
| Погрешность преобразования | ±0.1%; ±0.2% |
| Время установления | < 1 с (10..90%) |
| Сопротивление изоляции | > 100 МОм |
| Сопротивление нагрузки | < 550 Ом (выход 4..20 мА) |
| Сечение подключаемых кабелей | 0.5..2.5 мм2 |
| Конструктив | |
| Материал корпуса | PC+ABS |
| Назначение | Two Wire Thermal Resistance Input Isolation Transducer |
| Серия | TM6000 Series |
| Степень защиты корпуса: | IP20 |
| Температурный дрейф | ±0.015%/°C |
| Относительная влажность | 5..95% (без конденсата) |
| Возможности монтажа | DIN-рельс (TH35-7.5) |
| Температура хранения | -20..+60°C |
| Температура эксплуатации: | -20..+60°C |
| Вес, кг. | 110..120 г |
| Габариты, мм | 16х116х110 мм |
| Примечание | circuit power supply/two-in.two-out |
| Порты | |
| Выход | 4..20 мА |
| Питание | |
| Рабочее напряжение | 20..30 В постоянного тока |
Написать отзыв
Ваше имя:Ваш отзыв: Примечание: HTML разметка не поддерживается! Используйте обычный текст.
Оценка: Плохо Хорошо
Введите код, указанный на картинке:
Описание
Преобразователи сигналов термометров сопротивления в ток с питанием от выходной токовой петли. Погрешность преобразования ±0.2%. ТМ 6704 – один канал, ТМ 6705 – два канала.Two Wire Thermal Resistance Input Isolation Transducer(circuit power supply/two-in,two-out)
Применение нормирующих преобразователей с гальванической развязкой серии ТМ6000 позволяет обеспечить проведение достоверных измерений и формирование управляющих сигналов, а также защитить дорогостоящее оборудование от различного вида помех и прочих отрицательно влияющих факторов. Модельный ряд серии ТМ6000 является функционально полным, удовлетворяющим большинству практических ситуаций.
Характеристики
| Нормализация сигнала | |
| Вход | Pt100 Pt10 Cu50 Cu100 |
| Погрешность преобразования | ±0.1%; ±0.2% |
| Время установления | < 1 с (10..90%) |
| Сопротивление изоляции | > 100 МОм |
| Сопротивление нагрузки | < 550 Ом (выход 4..20 мА) |
| Сечение подключаемых кабелей | 0.5..2.5 мм2 |
| Конструктив | |
| Материал корпуса | PC+ABS |
| Назначение | Two Wire Thermal Resistance Input Isolation Transducer |
| Серия | TM6000 Series |
| Степень защиты корпуса: | IP20 |
| Температурный дрейф | ±0.015%/°C |
| Относительная влажность | 5..95% (без конденсата) |
| Возможности монтажа | DIN-рельс (TH35-7.5) |
| Температура хранения | -20..+60°C |
| Температура эксплуатации: | -20..+60°C |
| Вес, кг. | 110..120 г |
| Габариты, мм | 16х116х110 мм |
| Примечание | circuit power supply/two-in.two-out |
| Порты | |
| Выход | 4..20 мА |
| Питание | |
| Рабочее напряжение | 20..30 В постоянного тока |
Написать отзыв
Ваше имя:Ваш отзыв: Примечание: HTML разметка не поддерживается! Используйте обычный текст.
Оценка: Плохо Хорошо
Введите код, указанный на картинке:



